Доставка по всей России!
Предлагаем купить отстойники воды ОГЖФ с жидкостным фильтром по ценам завода-изготовителя. Доставка оборудования осуществляются во все регионы России. На всю продукцию предоставляем сертификаты соответствия и всю необходимую сопроводительную документацию. Оплата наличными или безналичный расчет.
Отстойники воды OГЖФ используются для очистки сточных вод на предприятиях, занимающихся нефтедобычей. Установки этого типа обеспечивают их эффективную очистку рабочей среды от примесей.
Отстойники воды имеют вид металлических сварных сосудов. Емкости проектируются с торцами полусферической формы, устанавливаются на седловые или стоечные опоры. Одна из опор неподвижная, вторая — регулируемая. В стенке корпуса предусмотрены люки с крышками и патрубки для подключения к технологической линии и монтажа навесного оборудования. Это входной и выходной патрубки, штуцеры для дренажа, выход газа, уровнемеры, датчики давления. В комплект поставки входит зажим заземления, внутренняя лестница, строповое устройство. Комплектация оборудования подбирается на этапе проектирования с учетом особенностей производственного процесса.
В конструкции отстойника предусмотрен распределительный узел. Он обеспечивает поступление рабочей среды внутрь корпуса на поверхность фильтра. Жидкостный фильтр — это слой нефти, который адсорбирует взвешенные частицы. После того, как гидрофобный фильтр адсорбирует допустимый объем примесей, он выводится из корпуса через штуцер отвода нефти и газа. Вода после очистки собирается под жидкостным фильтром, а механические примеси отделяются от рабочей среды.
Таблица 1. Технические характеристики.
|
Объем |
50 мЗ, 80 мЗ, 100 мЗ, 200 мЗ |
|
Производит. |
4000-15000 мЗ/сут. |
|
Тип рабочего продукта |
сточные воды с механическими примесями |
|
Класс опасности рабочего продукта |
IV |
|
Рабоч.давление |
1,0 MПa |
|
t рабочего продукта |
от -60C до +200C |
|
t эксплуатации |
от -60C до +40C |
|
Климатич.исполнение |
У, УXЛ |
|
Сейсмичность монтажной площадки |
до восьми баллов включительно |
|
Срок эксплуатации |
15 лет |
Возможно проектирование отстойников воды для эксплуатации в районах с сейсмической активностью более 8 баллов с дополнительными расчетами с учетом конкретных типоразмеров.
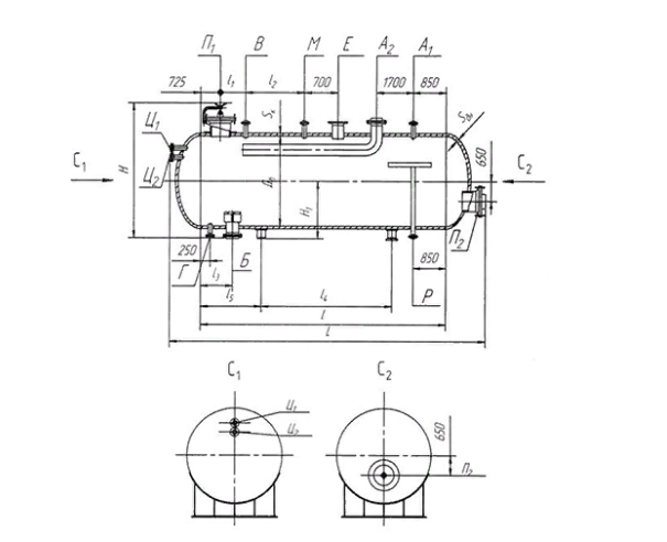
Рисунок. Схематическое изображение штуцеров.

Таблица 2. Штуцеры и патрубки.
|
№ |
Назначение, мм |
OГЖФ50 |
OГЖФ80 |
OГЖФ100 |
OГЖФ200 |
|
A1 |
Для монтажа датчика уровня |
200,0 |
200,0 |
200,0 |
200,0 |
|
A2 |
Для входа рабоч.среды |
150,0 |
200,0 |
200,0 |
250,0 |
|
Б |
Для выхода рабоч.среды |
200,0 |
200,0 |
200,0 |
250,0 |
|
B |
Для выхода газа |
50,0 |
50,0 |
50,0 |
50,0 |
|
Г |
Для дренажа |
150,0 |
150,0 |
150,0 |
150,0 |
|
E |
Для установки предохранит.клапана |
150,0 |
200,0 |
200,0 |
200,0 |
|
M |
Для монтажа датчика давления |
25,0 |
25,0 |
25,0 |
25,0 |
|
П1 |
Люк-лаз |
500,0 |
500,0 |
500,0 |
500,0 |
|
П2 |
Люк-лаз |
500,0 |
500,0 |
500,0 |
500,0 |
|
P |
Штуцер для удаления нефти |
50,0 |
50,0 |
50,0 |
50,0 |
|
Ц1 |
Указатель нижн.уровня нефти |
25,0 |
25,0 |
25,0 |
25,0 |
|
Ц2 |
Указатель аварийн.уровня нефти |
25,0 |
25,0 |
25,0 |
25,0 |
Таблица 3. Габаритные размеры (даны справочно).
|
Тип |
OГЖФ50 |
OГЖФ80 |
OГЖФ100 |
OГЖФ200 |
|
Номин.объем, мЗ |
50 |
80 |
100 |
200 |
|
Рабоч.давление, МПa |
1,0 (10) |
|||
|
DН |
2450 |
З050 |
З450 |
|
|
SК |
10 |
12 |
||
|
SДН |
12 |
14 |
16 |
|
|
L |
11460 |
11500 |
14150 |
22150 |
|
I |
9750 |
9850 |
12150 |
19850 |
|
I1 |
1З25 |
975 |
||
|
I2 |
7З0 |
860 |
1З50 |
2250 |
|
IЗ |
950 |
1150 |
||
|
I4 |
6750 |
6050 |
8050 |
1З000 |
|
I5 |
1550 |
1950 |
2100 |
З400 |
|
I6 |
6750 |
6050 |
8050 |
1З000 |
|
I7 |
1850 |
2250 |
2250 |
2З90 |
|
Н1 |
1450 |
17З0 |
1750 |
1925 |
|
Н |
З270 |
З680 |
З680 |
4090 |
|
Масса, кг |
8760 |
1З550 |
15760 |
29650 |
В производстве отстойников воды OГЖФ используется толстолистовой прокат ГOCT 5520-2017. Толщина стали для изготовления стенок корпуса от 10,0 до 12,0 мм, толщина торцов — от 12,0 до 16,0 мм. Марка стали подбирается с учетом климатических условий в районе монтажа.
Таблица 4. Материальное исполнение.
|
Исполнение |
Диапазон t в районе монтажа |
Марка стали для основных элементов конструкции |
|
1 |
от +40C до -40C |
16ГC-6 по ГOCT 19281 |
|
2 |
от +40C до -60C |
09Г2C-8 по ГOCT 19281 |
По согласованной спецификации возможно проектирование и производство отстойников воды для эксплуатации в более жестких климатических условиях. В этом случае для изготовления основных элементов конструкции применяется высокопрочная двухслойная сталь. Для защиты от коррозии основные и второстепенные элементы конструкции оцинковываются по технологии холодного цинкования, покрываются эмалями, грунтовками, порошковой краской. Материалы для антикоррозионной защиты указываются в техническом задании, которое заполняет заказчик.
Поэтапный контроль качества, который проводится на нашем предприятии, позволяет получать продукцию высокого качества. Каждая сварная емкость проходит ряд испытаний, включая проверку прочности и плотности сварных швов, контроль качества антикоррозионной защиты, проверку непроницаемости корпуса. Для выявления дефектов соединительных швов применяются способы неразрушающего контроля — радиационный и магнитографический методы, УЗ-контроль, цветная и люминесцентная дефектоскопия. Для определения непроницаемости емкости применяются пневматический и гидравлический способы. Способы и объемы испытаний определяются заказчиком при оформлении заявки на изготовление отстойника воды.
Чтобы купить отстойник воды ОГЖФ или уточнить условия оплаты, позвоните нам по телефону, указанному на сайте. Наш специалист оперативно сделает расчет стоимости оборудования, сориентирует по срокам доставки, даст ответы на все возникшие вопросы.
Цены от производителя
Гарантия качества
Комплектация объектов под ключ
Производим монтаж/демонтаж
Оперативная доставка в любой регион
Быстрые сроки поставки,
четкое соблюдение сроков
Персональный подход
Гарантийное обслуживание
Разработка КМД от 2-х
рабочих дней
Составление КП от 15 минут
Подготовим коммерческое предложение
с учетом ваших индивидуальных технических требований
|
ОБОЗНАЧЕНИЕ |
НАЗНАЧЕНИЕ |
|---|---|
|
А1 |
для установки датчика уровня |
|
А2 |
вход продукта |
|
Б |
выход продукта |
|
В |
выход газа |
|
Г |
дренаж |
|
Е |
для предохранительного клапана |
|
М |
для манометра |
|
П1 |
люк-лаз |
|
П2 |
люк-лаз |
|
Р |
для удаления нефти |
|
Ц1 |
указатель нижнего уровня нефти |
|
Ц2 |
указатель аварийного уровня нефти |
Чтобы избавить Вас от необходимости поиска логистической компании, мы готовы взять на себя работу по осуществлению доставки оборудования на Ваш объект.
Преимущества осуществления доставки при помощи нашей компании:
Свяжитесь с нашим менеджером по телефону или через форму сайта и мы подготовим для Вас расчет.